產品系列
- 32.768KHz
- 石英晶振
- 貼片晶振
- 聲表面濾波器
- 陶瓷晶振
- 陶瓷霧化片
- 陶瓷濾波器
- 微孔霧化片
- CTS晶振
- KDS晶振
- 愛普生晶振
- 西鐵城晶振
- 精工晶體
- 村田晶振
- 京瓷晶振
- DST310S晶振
- 日本大河晶體
- NDK晶振
- 亞陶晶振
- 日本富士晶振
- NAKA晶振
- SMI晶振
- NKG晶振
- NJR晶振
- 臺灣加高諧振器
- 臺灣鴻星晶體
- TXC晶振
- 臺灣希華晶振
- 臺灣泰藝晶體
- NSK晶振
- AKER晶振
- Dynamic迪拉尼晶振
- Q-Tech晶振
- ABRACON晶振
- VECTRON晶振
- JAUCH晶振
- ConnorWinfield晶振
- Rakon晶振
- ECS晶振
- Greenray晶振
- ECLIPTEK晶振
- GOLLEDGE晶振
- STATEK晶振
- Pletronics晶振
- SITIME晶振
- Microcrystal晶振
- RALTRON晶振
- AEK晶振
- AEL晶振
- ILSI晶振
- FOX晶振
- fujicom晶振
- CRYSTEK晶振
- interquip晶振
- Geyer晶振
- quartzcom晶振
- qantek晶振
- EUROQUARTZ晶振
- quarztechnik晶振
- Cardinal晶振
- FRE-TECH晶振
- KVG晶振
- wi2wi晶振
- Transko晶振
- suntsu晶振
- mmdcomp晶振
- MERCURY晶振
- MTRONPTI晶振
- ACT晶振
- MTI晶振
- Lihom晶振
- Rubyquartz晶振
- Oscilent晶振
- SHINSUNG晶振
- ITTI晶振
- PDI晶振
- IQD晶振
- Microchip晶振
- Silicon晶振
- Anderson晶振
- Fortiming晶振
- CORE晶振
- NIPPON晶振
- NIC晶振
- QVS晶振
- Bomar晶振
- Bliley晶振
- GED晶振
- FILTRONETICS晶振
- STD晶振
- Wenzel晶振
- NEL晶振
- EM晶振
- PETERMANN晶振
- FCD-Tech晶振
- HEC晶振
- FMI晶振
- Macrobizes晶振
- AXTAL晶振
- SUNNY晶振
- ARGO晶振
- Renesas瑞薩晶振
- SKYWORKS晶振
晶振廠家
進口晶振
臺產晶振
歐美晶振
Tel:0755-27838351
Add:廣東深圳市寶安區67區留仙一路甲岸科技園3棟5樓
Email:konuaer@163.com
QQ:632862232
晶振官方博客
更多>>.jpg)
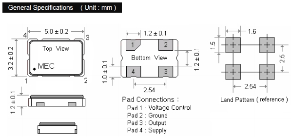
MERCURY晶振,壓控晶振,G534晶振,瑪居禮有源晶體振蕩器.VCXO是指這款晶體產品控制功能只有單壓控也就是電壓控制功能,產品本身頻率精度可以隨著電壓搞定起伏來自動調整頻率,使產品永遠控制在一定的頻率范圍,壓控晶振(VCXO)壓控石英晶體振蕩器基本解決方案,PECL輸出,輸出頻率60 MHz到200 MHz之間,出色的低相位噪聲和抖動,三態功能,應用:SDH/ SONET,以太網,基站,筆記本晶振應用, VCXO,壓控晶體應用:調制解調器,ADSL網絡控制器,無線基站,程控交換設備智能手機,筆記本晶振等.
石英晶振高精度晶片的拋光技術:貼片晶振是目前晶片研磨技術中表面處理技術的最高技術,最終使晶振晶片表面更光潔,平行度及平面度更好,降低諧振電阻,提高Q值.從而達到一般研磨所達不到的產品性能,使石英晶振的等效電阻等更接近理論值,使晶振可在更低功耗下工作.使用先進的牛頓環及單色光的方法去檢測晶片表面的狀態.
石英晶振高精度晶片的拋光技術:貼片晶振是目前晶片研磨技術中表面處理技術的最高技術,最終使晶振晶片表面更光潔,平行度及平面度更好,降低諧振電阻,提高Q值.從而達到一般研磨所達不到的產品性能,使石英晶振的等效電阻等更接近理論值,使晶振可在更低功耗下工作.使用先進的牛頓環及單色光的方法去檢測晶片表面的狀態.
| 型號 | 符號 | G534 |
| 輸出規格 | - | CMOS |
| 輸出頻率范圍 | fo | 16~50MHZ |
| 電源電壓 | VCC | +3.3V±0.165V |
|
頻率公差 (含常溫偏差) |
f_tol | ±25,±50,±100×10-6 max.. |
| 保存溫度范圍 | T_stg | -50℃+100℃ |
| 運行溫度范圍 | T_use | -40℃+85℃ |
| 消耗電流 | ICC | 45mA max. (fo≦170MHz) |
| 待機時電流(#1引腳"L") | I_std | 10μA max. |
| 輸出負載 | Load-R | 15pF W |
| 波形對稱 | SYM | 45?55% [at outputs cross point] |
.gif)

1:抗沖擊
抗沖擊是指壓電控制貼片晶振產品可能會在某些條件下受到損壞.例如從桌上跌落,摔打,高空拋壓或在貼裝過程中受到沖擊.如果產品已受過沖擊請勿使用.因為無論何種石英晶振,其內部晶片都是石英晶振制作而成的,高空跌落摔打都會給晶振照成不良影響.
2:輻射
將貼片晶振暴露于輻射環境會導致產品性能受到損害,因此應避免陽光長時間的照射.
3:化學制劑/pH值環境
請勿在PH值范圍可能導致腐蝕或溶解石英晶振或包裝材料的環境下使用或儲藏這些產品.
4:粘合劑
請勿使用可能導致進口石英晶振所用的封裝材料,終端,組件,玻璃材料以及氣相沉積材料等受到腐蝕的膠粘劑.(比如,氯基膠粘劑可能腐蝕一個晶振的金屬“蓋”,從而破壞密封質量,降低性能.)
5:鹵化合物
請勿在鹵素氣體環境下使用晶振.即使少量的鹵素氣體,比如在空氣中的氯氣內或封裝所用金屬部件內,都可能產生腐蝕.同時,請勿使用任何會釋放出鹵素氣體的樹脂.

瑪居禮電波工業(股)公司已有40年歷史,是臺灣第一家生產制造無線路由器晶振產品的廠商.惟電子工業有極大之演變,游戲機晶振體積小型化,智能手機晶振套裝也由引線型變成表面實裝型,進口晶振頻率范圍也擴大到幾KHz到幾百MHz,且精密度也以百萬分之ㄧ計算,其功用也擴展到電子通信情報及航太技術之用.本公司隨著市場之需求,不斷改進及研究開發新產品及生產技術,并追求穩定精良之品質,以期符合顧客之要求.

MERCURY晶振集團希望銷售的所有產品都能為地球環保做貢獻,因此致力于移動通信晶振開發環境友好型產品.為進行環境友好型產品的設計,MERCURY晶振明確了“環境友好理念”.將對于防止全球變暖、節能、節省資源、削減有害物質做出積極貢獻的產品定為“環保商品”,并針對所有產品設定了以環境友好理念為基礎的評價基準.通過這些努力,在2015年度,環保商品的比例達到了99%.今后,MERCURY晶振集團將繼續開展相關活動,為提供更多環境友好型產品而努力.
MERCURY晶振全體員工都積極地投身環?;顒?希望能夠在兼顧環保性和經濟性的同時,實現GPS定位導航晶振可持續發展.尤其是在節能、溫室效應對策方面,引進節能設備、安裝太陽能發電系統、實施墻面綠化等開展了一系列節能活動.此外,還開展了保護生物多樣性等活動.MERCURY晶振為區域發展所做的貢獻受到了高度評價,連續6年榮獲日本環境省頒發的"防止全球變暖活動環境大臣表彰獎",成為獲獎次數最多的企業.
.gif)
1.技術支持 2.客服咨詢
全方位技術指導,專業的技術支持讓您感受到 專業的銷售團隊,耐心為您解答任何疑問,讓您的
前所未有的后顧無憂. 消費得到保障.
3.質量保證,誠信為上 4.提升業績,降低成本
我司以“以科技為動力,以質量求生存”為理念. 為您的產品量身訂制,免費取樣,
為您做到低成本,高效率.

全方位技術指導,專業的技術支持讓您感受到 專業的銷售團隊,耐心為您解答任何疑問,讓您的
前所未有的后顧無憂. 消費得到保障.
3.質量保證,誠信為上 4.提升業績,降低成本
我司以“以科技為動力,以質量求生存”為理念. 為您的產品量身訂制,免費取樣,
為您做到低成本,高效率.

| 深圳市康華爾電子有限公司 |
| 電 話: +86-755-27838351 |
| 手 機:13823300879 |
| 傳 真: +86-755-27883106 |
| Q Q: 632862232 |
| MSN: konuaer@163.com |
| E-mail:konuaer@163.com |
| 網 址:http://www.zcmachinery.com.cn |
| 地 址:廣東深圳市寶安寶安大道東95號浙商銀行大廈1905 |











銷售代表
售后服務